A magnetoelectric speed sensor is a passive device that converts mechanical motion into electrical signals via electromagnetic induction. Featuring simple structure, no power requirement, and robust performance, it's widely used in vibration monitoring and speed measurement applications.

Product Performance | Reference Value |
Relative Humidity | ≤95% (Monthly average minimum temperature: 25°C) |
Operating Temperature | -40°C to +120°C |
Vibration & Shock | Complies with GB/T 21563-2008 requirements for Category 3 axle-mounted applications |
Protection Rating | IP68 (5 bar, 2 hours) |
Speed Measurement Range | 37 Hz to 3109 Hz |
Output Waveform Amplitude | 37 Hz: 1.0 V ≤ Vrms ≤ 6.5 V |
53 Hz: 1.4 V ≤ Vrms ≤ 9.3 V | |
160 Hz: 1.9 V ≤ Vrms ≤ 28.0 V | |
1000 Hz: 6.0 V ≤ Vrms ≤ 28.0 V | |
3109 Hz: 6.0 V ≤ Vrms ≤ 28.0 V | |
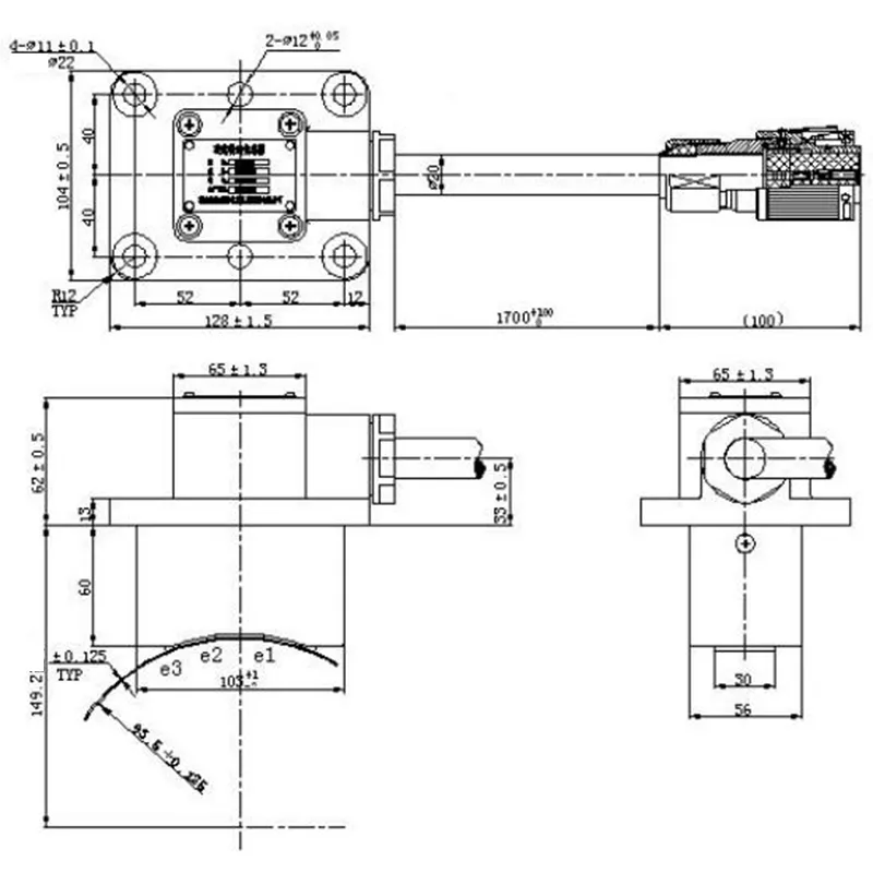
Operating Air Gap | 0.8 ± 0.3 mm |
Output Waveform | Quasi-sinusoidal |
Number of Output Channels | 3 |
Phase Difference | Channel 1-2: 90° ± 30° |
Output Signal Frequency | f=ω×1.2Hz |
Dielectric Strength | AC 3000 V [50 Hz, 60 s] |
Insulation Resistance | ≥100 MΩ (measured at 1000 V with a megohmmeter) |
Protection Features | Power supply polarity protection |
Output short-circuit protection |
· Rugged & Maintenance-Free: Robust construction with no moving parts, ensuring long-term reliability in harsh environments.
· Wide Frequency Response: Effectively measures vibrations across low to mid-frequency ranges (e.g., 0.5 Hz–1 kHz).
· Directional Sensitivity: Specifically detects motion in one axial direction while rejecting transverse vibrations, providing precise directional measurement.
· Temperature Stability: Maintains consistent performance across wide temperature ranges (-40°C to +120°C) due to passive design and robust construction.







