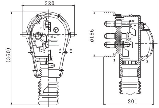
The BDK20 Railway Power Connector is a high-capacity 3-phase connector designed for air-conditioned rolling stock. Engineered to transfer 425A at 500V AC, it features spring-loaded floating contact pins and stainless steel mechanisms for vibration-resistant, ultra-low resistance (≤0.0002Ω) connections. Its IP-protected design integrates Φ20 bellows rubber sheaths and disk cladding to shield electrodes from contaminants.
Parameter | Value |
Rated Voltage | AC 500V |
Rated Current | 425A (Main), 10A (Aux.) |
Contact Resistance | ≤0.0002 Ω |
Insulation Resistance | ≥1000 MΩ (normal conditions) |
Temperature Rise | <60K |
Dielectric Strength | AC 3000V/1min (no breakdown) |
Operational Cycles | ≥1,500 times |
Operation Temperature | -50°C to +60°C |
Humidity Tolerance | ≤95% at 25°C |
· Railway-Certified Reliability: Approved by China's Railway Ministry for 3-phase power transfer in air-conditioned coaches. Fully compliant with industry standard TB/T 2408-93, tested by Railway Ministry Quality Center.
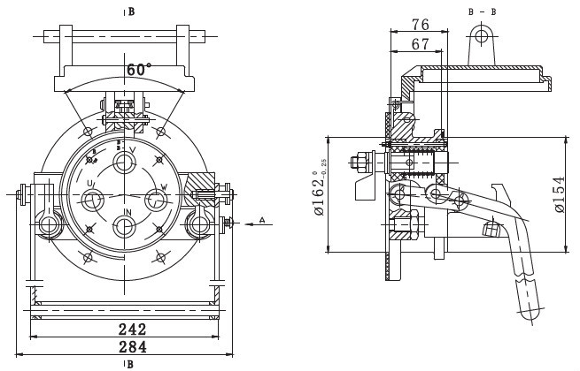
· Double Circlip + Stainless Steel Components: Upgraded from KC20 model for corrosion resistance and mechanical strength.
· Floating Contact Pins: Each pin features coil compression springs for vibration-proof, stable connections.










